ကျွန်ုပ်တို့၏ RCS စီးရီးသည်ပရော်ဖက်ရှင်နယ်ဒီဇိုင်းနှင့်နည်းပညာဆိုင်ရာထုတ်လုပ်မှုများမှတဆင့်ပစ္စတင်လှံတံတံဆိပ်ခတ်ခြင်းတံဆိပ်များကိုဖြည့်ဆည်းပေးသည့်ပစ္စတင်လှံတံတံဆိပ်ခတ်တံဆိပ်များကိုဖြည့်ဆည်းပေးသည်။
ဖွဲ့စည်းတည်ဆောက်ပုံဆိုင်ရာဒီဇိုင်းများအရအခြေခံမော်ဒယ်များသည်တည်ငြိမ်မှုနှင့်လွယ်ကူခြင်းတို့အပေါ်ဗဟိုပြုသည်။ RCS101 / 103 သည်အထူးသဖြင့်တိုတောင်းသောလေဖြတ်ခြင်းအတွက်, RCS102 / 104R / 117R သည်ပစ္စည်းများကိုပိုမိုကောင်းမွန်စေရန်အတွက်ပိုမိုမြင့်မားသောဖိအားများကိုထောက်ပံ့ခြင်းဖြင့်ပိုမိုမြင့်မားသောဖိအားများကိုထောက်ပံ့သည်။ Pneumatic Systems များအတွက် RCS105 / 205 သည်အထူးနှုတ်ခမ်းဒီဇိုင်းကို အသုံးပြု. ရေနံရုပ်ရှင်ကိုချောဆီကိုထိန်းသိမ်းရန်နှင့်ချောဆီကိုချောဆီကိုလိုက်လျောညီထွေဖြစ်စေရန်လိုက်လျောညီထွေဖြစ်အောင်ပြုလုပ်ပါ။
Ruichen Seals သည်ပစ္စည်းနှင့်ဆန်းသစ်တီထွင်မှုများကိုလည်းအာရုံစိုက်သည်။ RCS118 / 119 / 124-129 ကဲ့သို့သောမော်ဒယ်များကို Polytetrafluoroethylene (PTFE) သို့မဟုတ် Polyurethane တို့အားအဓိကခန္ဓာကိုယ်အဖြစ် အသုံးပြု. Polyurethane ကို အသုံးပြု. ဖိအား, RCS129 သည် Walking စက်ယန္တရားများနှင့်ဟိုက်ဒရောလစ်ပစ္စည်းကိရိယာများအတွက်သင့်တော်သည့် RCS101 နှင့်တံဆိပ်ခတ်စနစ်တစ်ခုကိုဖွဲ့စည်းနိုင်သည်။ RCS126-128 သည်အချိုးမညီ V-pleatch ဒီဇိုင်းကို ဖြတ်. ဖိအားနိမ့်မှုနည်းပါးသောဆေးမျိုးနှင့်ဓာတုဗေဒစက်မှုလုပ်ငန်းအတွက်စိတ်ကြိုက်ပြုလုပ်သည်။
ရှုပ်ထွေးသောလုပ်ငန်းခွင်အခြေအနေများအတွက် RCS120 / 138 နှင့်အခြားနှစ်ဆသရုပ်ဆောင်ထားသောတံဆိပ်များသည်အလွန်အကျွံဖိအားနှင့်ပုံပျက်မှုများကိုခံနိုင်ရည်ရှိခြင်းနှင့်လိုက်လျောညီထွေဖြစ်အောင်နှင့်လိုက်လျောညီထွေဖြစ်အောင်ပြုလုပ်ထားသောပံ့ပိုးမှုစင်တာများကိုပေါင်းစပ်ထားသည်။ RCS131 သည် O-Ring Propertroming ဖြစ်ပြီး, နှင့် RCS116 / 216 သည်အချိန်လျှော်ချိန်ကုန်ကျစရိတ်ကိုလျှော့ချရန် Fixture installation မှတဆင့်ဆလင်ဒါဟောင်းများကိုလျင်မြန်စွာပြုပြင်နိုင်သည်။
RCS စီးရီးများသည်ဖောက်သည်များအားမြင့်မားသောဖိအား, အမြန်နှုန်း,
ထုတ်ကုန်အင်္ဂါရပ်များနှင့် application များ:
ပစ္စတင်လှံတံတံဆိပ်ခတ်လှည့်လှည့်လှည့်လှည့်လှေများ, အင်ဂျင်နီယာမော်တော်ယာဉ်များ, စိုက်ပျိုးရေးစက်ပစ္စည်းများ,
ပြင်းထန်သောစက်မှုစက်ယန္တရားများ, ဖိအား, ဓာတုဗေဒစက်မှုလုပ်ငန်းများ, အမြန်ရေနံဆလင်ဒါနှင့်နေရာချထားစက်များ,
ကောင်းကျိုး
ပစ္စတင်လှံတံတံဆိပ်ခတ်ထားသောတံဆိပ်ခတ်ထားသောတံဆိပ်များသည်ကျယ်ပြန့်သောအပူချိန်အကွာအဝေး, အလွန်ကောင်းမွန်သောငြိမ်သက်မှုနှင့်တက်ကြွသောတံဆိပ်ခတ်ခြင်းစွမ်းရည်နှင့်ခိုင်မာသောကျန်ရှိနေသောရေနံထံမှုစွမ်းဆောင်ရည်နှင့်ခိုင်မာသောကျန်ရှိနေသောရေနံပြန်လည်ထူထောင်ရေးစွမ်းရည်များနှင့်အတူ broove တွင်ထည့်သွင်းထားသည်။ အနိမ့်ပွတ်တိုက်မှုအနိမ့်အမြင့်, တွားတတ်သောအဝတ်အစားခုခံခြင်း, ငြိမ်သက်ခြင်းနှင့်ပွတ်တိုက်တန်ဖိုးများ, ကောင်းသောဆန့်ကျင်ရေးတန်ဖိုးများ, ကောင်းသောဆန့်ကျင်ရေးဆိုင်ရာဆန့်ကျင်ရေးစွမ်းဆောင်ရည်,
Piston Rods အဟောင်းများအတွက်သင့်တော်သည်။ တွားတတ်သောတိရစ္ဆာန်များတပ်ဆင်ရန်လွယ်ကူသောအမျိုးအစား။

rcs101
အမိန့်အရွယ်အစား
φd ...... အပြင်ဘက်အချင်း
φd ...... အတွင်းပိုင်းအချင်း
ဌ ...... groove အကျယ်
| မျက်နှာပြင် finish ကို | r tmax (μm) | ra (μm) |
| ချထားသည့်ရော်ဘာ / polyurethane ဖျံတံဆိပ်များလျှောမျက်နှာပြင်လျှော ptfe တံဆိပ်ခတ်နှင့်ကိုက်ညီမျက်နှာပြင်လျှောမျက်နှာပြင် | ≤2.5 ≤2 | ≤0.1-0.5 ≤0.05-0.3 |
| groove အောက်ခြေ ဘက် | ≤6.3 ≤15 | ≤1.6 ≤3 |
| TP ပရိုဖိုင်းသည်အရှည်အချိုးအစားကိုထောက်ပံ့သည် | 50% -95% |
|
| သည်းခံနေခြင်း | |
| φd | f8 |
| φd | h10 |
အမိန့်
မော်ဒယ်: RCS101
groove အရွယ်အစား: 100x115x10
ပစ္စည်း: RC-Pu-H

SEAL အမျိုးအစား: RCS101, RCS102, RCS103, RCS104, RCS205, RCS206, RCS106, RCS108, RCS108
အဓိက application - ဟိုက်ဒရောလစ်နှင့် pneumatic cylinders များအတွက်သင့်တော်သည်
အားသာချက်များ - ကျယ်ပြန့်သောအပူချိန်အကွာအဝေး, ကျယ်ပြန့်သောအပူချိန်အကွာအဝေး, အလွန်ကောင်းမွန်သောငြိမ်သက်မှုနှင့်တက်ကြွသောတံဆိပ်ခတ်ခြင်းစွမ်းဆောင်ရည်, အားကောင်းတဲ့အခြေအနေများ,
ပစ္စည်း: Polyurethane, ရာဘာ
| groove ဥပမာ seal | အောက်ဖော်ပြပါများသည်စံသတ်မှတ်ထားသော groove အတိုင်းအတာများ (အရွယ်အစားအကွာအဝေးအတွင်းရှိအရွယ်အစားမဆိုဖုန်မှုန့်တံဆိပ်များကိုထုတ်လုပ်နိုင်သည်) | ||||||||
![]() |
![]() |
φd | φd | L | c / s | အများဆုံးထုတ်ယူခြင်းကွာဟချက် | |||
| 100Ar | 250 Bar ရာဝတီ | 400bar | |||||||
| 5-24.9 | φd + 8 | 6.3 | 4 | 0.50 | 0.35 | 0.25 | |||
| 25-49.9 | φd + 10 | 8 | 5 | 0.50 | 0.35 | 0.25 | |||
| 50-149.9 | φd + 15 | 10 | 7.5 | 0.50 | 0.35 | 0.25 | |||
| 150-229.9 | φd + 20 | 14 | 10 | 0.50 | 0.35 | 0.25 | |||
| 300-499.9 | φd + 25 | 17 | 12.5 | 0.50 | 0.35 | 0.25 | |||
| 500-699.9 | φd + 30 | 25 | 15 | 0.50 | 0.35 | 0.25 | |||
| > 700 | φd + 40 | 32 | 20 | 0.60 | 0.40 | 0.30 | |||
| > 1000 | φd + 50 | 40 | 25 | 0.70 | 0.50 | 0.40 | |||

rcs109
အမိန့်အရွယ်အစား
φd ...... အပြင်ဘက်အချင်း
φd ...... အတွင်းပိုင်းအချင်း
ဌ ...... groove အကျယ်
|
မျက်နှာပြင် finish ကို |
r tmax (μm) |
ra (μm) |
|
ချထားသည့်ရော်ဘာ / polyurethane ဖျံတံဆိပ်များလျှောမျက်နှာပြင်လျှော ptfe တံဆိပ်ခတ်နှင့်ကိုက်ညီမျက်နှာပြင်လျှောမျက်နှာပြင် |
≤2.5
≤2 |
≤0.1-0.5
≤0.05-0.3 |
|
groove အောက်ခြေ ဘက် |
≤6.3 ≤15 |
≤1.6 ≤3 |
|
TP ပရိုဖိုင်းသည်အရှည်အချိုးအစားကိုထောက်ပံ့သည် |
50% -95% |
|
|
သည်းခံနေခြင်း |
|
|
φd |
f8 |
|
φd |
h10 |
အမိန့်
မော်ဒယ်: RCS109
groove အရွယ်အစား: 100x115.1x6.3
ပစ္စည်း: Ptfe3 + NBR

SEAL အမျိုးအစား: RCS109
အဓိကအသုံးချိုင် - အင်ဂျင်နီယာကားများ, စိုက်ပျိုးရေးစက်ပစ္စည်းများ, ရိန်းစက်များ, ရိန်းများ,
ကောင်းကျိုးများ - ပွတ်တိုက်မှု, တွားတတ်သောတိရစ္ဆာန်မ 0 တ်ခြင်း,
ပစ္စည်း - Tetrafluoroethylene, နိုက်ထရီ-ရော်ဘာသို့မဟုတ်ဖလိုရင်းရော်ဘာ
|
groove ဥပမာ seal |
အောက်ဖော်ပြပါများသည်စံသတ်မှတ်ထားသော groove အတိုင်းအတာများ (အရွယ်အစားအကွာအဝေးအတွင်းရှိအရွယ်အစားမဆိုဖုန်မှုန့်တံဆိပ်များကိုထုတ်လုပ်နိုင်သည်) |
||||||||
|
|
|
φd |
φd |
L |
c / s |
အများဆုံးထုတ်ယူခြင်းကွာဟချက် |
|||
|
100Ar |
200bar |
400bar |
|||||||
|
5-7.9 |
φd + 4.9 |
2.2 |
2.45 |
0.30 |
0.20 |
0.15 |
|||
|
8-18.9 |
φd + 7.3 |
3.2 |
3.64 |
0.40 |
0.25 |
0.15 |
|||
|
19-37.9 |
φd + 10.7 |
4.2 |
5.35 |
0.40 |
0.25 |
0.20 |
|||
|
38-199.9 |
φd + 15.1 |
6.3 |
7.55 |
0.50 |
0.30 |
0.20 |
|||
|
200-255.9 |
φd + 20.5 |
8.1 |
10.25 |
0.60 |
0.35 |
0.25 |
|||
|
256-649.9 |
φd + 24 |
8.1 |
12 |
0.60 |
0.35 |
0.25 |
|||
|
650-1000 |
φd + 27.3 |
9.5 |
13.65 |
0.70 |
0.50 |
0.30 |
|||
|
> 1000 |
φd + 38 |
13.8 |
19 |
1.00 |
0.70 |
0.50 |
|||

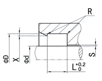
RCS110-112
အမိန့်အရွယ်အစား
φd ...... အပြင်ဘက်အချင်း
φd ...... အတွင်းပိုင်းအချင်း
ဌ ...... groove အကျယ်
|
မျက်နှာပြင် finish ကို |
r tmax (μm) |
ra (μm) |
|
ချထားသည့်ရော်ဘာ / polyurethane ဖျံတံဆိပ်များလျှောမျက်နှာပြင်လျှော ptfe တံဆိပ်ခတ်နှင့်ကိုက်ညီမျက်နှာပြင်လျှောမျက်နှာပြင် |
≤2.5
≤2 |
≤0.1-0.5
≤0.05-0.3 |
|
groove အောက်ခြေ ဘက် |
≤6.3 ≤15 |
≤1.6 ≤3 |
|
TP ပရိုဖိုင်းသည်အရှည်အချိုးအစားကိုထောက်ပံ့သည် |
50% -95% |
|
|
သည်းခံနေခြင်း |
|
|
φd |
f8 |
|
φd |
h10 |
အမိန့်
မော်ဒယ်: RCS110-112
groove အရွယ်အစား: 100x120x32
ပစ္စည်း: RC-Pu-H + pom

Seal အမျိုးအစား: RCS110-112, RCS126-128
အဓိက application - မိုးသည်းထန်စွာစက်မှုစက်ယန္တရားများအတွက်ဖိအားပေးသည်
အားသာချက်များ - ပစ္စတင်ဟောင်းများအတွက်သင့်တော်သောပစ္စတင်လှံတံများအတွက်သင့်တော်သည်,
ပစ္စည်း: Polyurethane, polyoxyymethylene, နိုင်လွန်
|
groove ဥပမာ seal |
အောက်ဖော်ပြပါများသည်စံသတ်မှတ်ထားသော groove အတိုင်းအတာများ (အရွယ်အစားအကွာအဝေးအတွင်းရှိအရွယ်အစားမဆိုဖုန်မှုန့်တံဆိပ်များကိုထုတ်လုပ်နိုင်သည်) |
|||||
|
|
|
φd |
φd |
L |
c / s |
|
|
10-39.9 |
φd + 10 |
16 |
5 |
|||
|
40-74.9 |
φd + 15 |
25 |
7.5 |
|||
|
75-149.9 |
φd + 20 |
32 |
10 |
|||
|
150-199.9 |
φd + 25 |
40 |
12.5 |
|||
|
200-299.9 |
φd + 30 |
50 |
15 |
|||
|
300-599.9 |
φd + 40 |
63 |
20 |
|||
|
> 600 |
φd + 40 |
80 |
20 |
|||
|
> 1000 |
φd + 50 |
100 |
25 |
|||

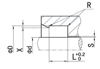
rcs119
အမိန့်အရွယ်အစား
φd ...... အပြင်ဘက်အချင်း
φd ...... အတွင်းပိုင်းအချင်း
ဌ ...... groove အကျယ်
|
မျက်နှာပြင် finish ကို |
r tmax (μm) |
ra (μm) |
|
ချထားသည့်ရော်ဘာ / polyurethane ဖျံတံဆိပ်များလျှောမျက်နှာပြင်လျှော ptfe တံဆိပ်ခတ်နှင့်ကိုက်ညီမျက်နှာပြင်လျှောမျက်နှာပြင် |
≤2.5
≤2 |
≤0.1-0.5
≤0.05-0.3 |
|
groove အောက်ခြေ ဘက် |
≤6.3 ≤15 |
≤1.6 ≤3 |
|
TP ပရိုဖိုင်းသည်အရှည်အချိုးအစားကိုထောက်ပံ့သည် |
50% -95% |
|
|
သည်းခံနေခြင်း |
|
|
φd |
f8 |
|
φd |
h10 |
အမိန့်
မော်ဒယ်: RCS119
groove အရွယ်အစား: 100x109.4x7.1
ပစ္စည်း: PTFE2 + NBR

Seal Type: RCS119
အဓိကလျှောက်လွှာ - ဓာတုဗေဒစက်မှုလုပ်ငန်း, လျင်မြန်စွာဆလင်ဒါနှင့်နေရာချထားစက်များ။ စားသောက်ကုန်စက်မှုလုပ်ငန်းဆေးဝါးစက်မှုလုပ်ငန်း။
အားသာချက်များ - အပူချိန်မြင့်မားခြင်းနှင့်အမျိုးမျိုးသောဓာတုမီဒီယာများကိုခံနိုင်ရည်ရှိခြင်း, ပွတ်တိုက်မှုနိမ့်ခြင်း, တွားသွားသတ္တဝါများ,
ပစ္စည်း: PTFE + Leaf နွေ ဦး
|
groove ဥပမာ seal |
အောက်ဖော်ပြပါများသည်စံသတ်မှတ်ထားသော groove အတိုင်းအတာများ (အရွယ်အစားအကွာအဝေးအတွင်းရှိအရွယ်အစားမဆိုဖုန်မှုန့်တံဆိပ်များကိုထုတ်လုပ်နိုင်သည်) |
|||||||||
|
|
|
φd |
φd |
L |
R |
X |
အများဆုံးထုတ်ယူခြင်းကွာဟချက် |
|||
|
100Ar |
200bar |
400bar |
||||||||
|
10-19.9 |
d + 4.5 |
3.6 |
0.4 |
0.6 |
0.15 |
0.10 |
0.07 |
|||
|
20-39.9 |
+ 6.2 |
4.8 |
0.6 |
0.7 |
0.20 |
0.15 |
0.08 |
|||
|
40-119.9 |
d + 9.4 |
7.1 |
0.8 |
0.8 |
0.25 |
0.20 |
0.10 |
|||
|
120-1000 |
d + 12.2 |
9.5 |
0.8 |
0.9 |
0.30 |
0.25 |
0.12 |
|||
|
> 1000 |
d + 19.0 |
15 |
0.8 |
0.9 |
0.50 |
0.40 |
0.20 |
|||



















































































လိပ်စာ
No.1 Ruichen Road, Dongliuting Industrial Park, Chengyang ခရိုင်, Chengyang ခရိုင်, Chengao City, Shandaong ခရိုင်, Chengyang ခရိုင်
Tel
အီးမေး