Ruhen သည်တံဆိပ်ခတ်ခြင်းနည်းပညာ၏ဆန်းသစ်တီထွင်မှု၏ရှေ့တန်းမှဖြစ်သည်။ လွတ်လပ်စွာဖွံ့ဖြိုးပြီးမြင့်မားသောဖိအားဖုန်မှုန့်တံဆိပ်များသည် ptfe ဖုန်မှုန့်များ၏သက်သေမပြန့်ပွားရန်တောင်းဆိုမှုများကိုတိကျစွာကျောက်ချရပ်နားပြီးအလွန်ကောင်းမွန်သောအကာအကွယ်ကိုဖန်တီးရန် PTFE ဖုန်မှုန့်ကွင်းများနှင့်အိုကွင်းများကိုအသုံးပြုသည်။ အလုပ်လုပ်သည့်အခါ O-Ring သည် PTFE လက်စွပ်၏ 0 တ်စုံများကိုအချိန်တိုင်း 0 တ်ဆင်ရန်အတွက်လျော်ကြေးပေးရန်တည်ငြိမ်သော prelad ကို အသုံးပြု. တံဆိပ်ခတ်ခြင်း၏ရေရှည်တည်ငြိမ်မှုကိုသေချာစေသည်။ ဖုန်မှုန့်သည်ဖုန်မှုန့်ကျူးကျော်မှုကိုပြင်းပြင်းထန်ထန်ခုခံတွန်းလှန်ရန်ဖုန်မှုန့်ဆော့ဖ်ဝဲဖြည့်ဖြည့်ပစ္စည်းများအားအသုံးပြုသည်။ ဥပမာအားဖြင့်ဆောက်လုပ်ရေးလုပ်ငန်းခွင်တွင်ဖုန်မှုန့်များနှင့်ရင်ဆိုင်နေရသောဟိုက်ဒရောလစ်ဆလင်ဒါများအနေဖြင့်ဆောက်လုပ်ရေးလုပ်ငန်းခွင်တွင်ဖုန်မှုန့်များနှင့်ရင်ဆိုင်နေရသည်။ အလိုအလျောက်ထုတ်လုပ်မှုမျဉ်း၏စက်ရုပ်လက်မောင်း၏သုံးစက်ရုပ်လက်မောင်းနှင့်အပြန်အလှန်ဆက်စပ်သောချိတ်ဆက်မှုများသည်၎င်း၏ဖုန်မှုန့်တံဆိပ်များသည်မြေမှုန့်ကိုဖုန်မှုန့်များမှကာကွယ်ပြီးမြင့်မားသောလုပ်ဆောင်မှုများကိုထိန်းသိမ်းထားသည်။ ထို့အပြင်သတ္တုတွင်းပစ္စည်းကိရိယာများကိုသယ်ဆောင်ခြင်း, မြေမှုန့်ဖုန်မှုန့်များ, ဖိအားမြင့်မားသောဖုန်မှုန့်တံဆိပ်များသည်တည်ငြိမ်မှုကိုလျှော့ချရန်, Ruichen Sealing သည်အလွန်နက်ရှိုင်းသောဖွံ့ဖြိုးတိုးတက်မှုကိုကြာမြင့်စွာအာရုံစိုက်ခဲ့သည်။ ပရော်ဖက်ရှင်နယ်အဖွဲ့များနှင့်ဖြတ်တောက်ခြင်း - အစွန်းရောက်အဆောက်အအုံများကိုအားကိုးခြင်းသည်ဖောက်သည်များ၏လိုအပ်ချက်နှင့်အညီလွတ်လပ်စွာထိန်းချုပ်ထားသောတံဆိပ်ခတ်ပစ္စည်းများအားစိတ်ကြိုက်ပြုပြင်ရုံသာမက PolyOptethylence ကဲ့သို့သောကြွယ်ဝသောနှင့်မတူကွဲပြားသောပစ္စည်းများပါ 0 င်သည်။
fatchproof တံဆိပ်ခတ်ခြင်းအခြေအနေ
| ဘေးတိုက်ပုံ | ပုံစံ | အပူချိန် (℃) | မြန်နှုန်း (M / S) | စာနယ်ဇင်းများ |
![]() |
rcf01 | -35 + 100 (O-Ring NBR နှင့်ကိုက်ညီခြင်း) | 6 | ဟိုက်ဒရောလစ်ရေနံ, emulsion, ရေစသဖြင့် |
| -20 ~ + 200 (o-ring fkm ကိုက်ညီခြင်း) | ||||
![]() |
rcf02 | -35 + 100 (O-Ring NBR နှင့်ကိုက်ညီခြင်း) | 6 | ဟိုက်ဒရောလစ်ရေနံ, emulsion, ရေစသဖြင့် |
| -20 ~ + 200 (o-ring fkm ကိုက်ညီခြင်း) | ||||
![]() |
rcf03 | -35 + 100 (O-Ring NBR နှင့်ကိုက်ညီခြင်း) | 6 | ဟိုက်ဒရောလစ်ရေနံ, emulsion, ရေစသဖြင့် |
| -20 ~ + 200 (o-ring fkm ကိုက်ညီခြင်း) | ||||
![]() |
rcf04 | -35 + 100 (O-Ring NBR နှင့်ကိုက်ညီခြင်း) | 6 | ဟိုက်ဒရောလစ်ရေနံ, emulsion, ရေစသဖြင့် |
| -20 ~ + 200 (o-ring fkm ကိုက်ညီခြင်း) | ||||
![]() |
rcf05 | -35 + 100 (O-Ring NBR နှင့်ကိုက်ညီခြင်း) | 6 | ဟိုက်ဒရောလစ်ရေနံ, emulsion, ရေစသဖြင့် |
| -20 ~ + 200 (o-ring fkm ကိုက်ညီခြင်း) |
အမှာစာမှာ -
အမိန့်မော်ဒယ် RCF01-80-ptfe3-r01
RCF01-Model 80-Lraft အချင်း Ptfe3-universal ပြုပြင်ထားသော PTFE R01-Universal Moded R01-universal untf1- ကိုက်ညီသောရော်ဘာပစ္စည်းများ
နိုက်ထိုက်စ်ရော်ဘာ (NBR) -r01 fluorueubber (fkm) -r02
အမိန့်မော်ဒယ် RCF02-80-PTFE3-R01
RCF02-model 80-shaft အချင်း Ptfe3-General ပြုပြင်ထားသော PTFER01-Matched Rapting Rappy
NBR (NBR) -r01 fluororubber (fkm) -r02
အမိန့်မော်ဒယ် RCFO3-80-PTFE3 -r01 -r01
RCF03-model 80-shaft အချင်း Ptfe3-General ပြုပြင်ထားသော PTFE R01 နှင့်ကိုက်ညီသောရော်ဘာပစ္စည်း
နိုက်ထိုက်စ်ရော်ဘာ (NBR) -r01 fluorueubber (fkm) -r02
အမိန့်မော်ဒယ် RCF04-80-ptfe3-r01
RCF04-Model 80-shaft အချင်း Ptfe3-General Moded PTFE R01 နှင့်ကိုက်ညီသောရော်ဘာပစ္စည်းများ
နိုက်ထိုက်စ်ရော်ဘာ (NBR) -r01 fluorueubber (fkm) -r02
အမိန့်မော်ဒယ် RCF04-80-ptfe3-r01
RCF04-Model 80-shaft အချင်း Ptfe3-General Moded PTFE R01 နှင့်ကိုက်ညီသောရော်ဘာပစ္စည်းများ
နိုက်ထိုက်စ်ရော်ဘာ (NBR) -r01 fluorueubber (fkm) -r02
အမိန့်မော်ဒယ် RCF05-80-ptfe3-r01
RCF05-model 80-shaft အချင်း Ptfe3-General ပြုပြင်ထားသော PTFE R01-MATFE R01-matching Rapping Rapping
နိုက်ထိုက်စ်ရော်ဘာ (NBR) -r01 fluorueubber (fkm) -r02
သတ်မှတ်ချက်များ:
| RCF01 သတ်မှတ်ချက်များ (parameter range အတွင်းရှိအရွယ်အစားမဆိုထုတ်ကုန်များကိုထောက်ပံ့နိုင်သည်) | ||||||
| ရိုးအချင်းအကွာအဝေး f8 |
groove အချင်း h9 |
groove အကျယ် L+0.2 |
ပွင့်လင်းတွင်းအချင်း D1 H11 |
ပွင့်လင်းအပေါက်အကျယ် a≥ |
ဝိုင်းထောင့် ကေြာက် |
o-ring ဝါယာကြိုးအချင်း ှုှမည်သောဆေး0 |
| 19 ~ 39 | d + 7.6 | 4.2 | d + 1.5 | 3 | 0.8 | 2.65 |
| 40 ~ 69 | + 8.8 | 6.3 | d + 1.5 | 3 | 0.8 | 2.65 |
| 70 ~ 139 | d + 12.2 | 8.1 | + 2.0 | 4 | 0.8 | 3.55 |
| 140 ~ 399 | d + 16.0 | 9.5 | d + 2.5 | 5 | 1.5 | 5.30 |
| 400 ~ 649 | + 24.0 | 14 | d + 2.5 | 8 | 1.5 | 7.00 |
| 650 ~ 1500 | d + 27.3 | 16 | d + 2.5 | 10 | 2.0 | 8.60 |
| RCF02, RCF03 သတ်မှတ်ချက်သတ်မှတ်ချက် parameter table (parameter range အတွင်းရှိအရွယ်အစားမဆိုထုတ်ကုန်များကိုထောက်ပံ့နိုင်သည်) | ||||||
| ရိုးအချင်းအကွာအဝေး f8 |
groove အချင်း h9 |
groove အကျယ် L+0.2 |
ပွင့်လင်းတွင်းအချင်း D1 H11 |
ပွင့်လင်းအပေါက်အကျယ် a≥ |
ဝိုင်းထောင့် ကေြာက် |
o-ring ဝါယာကြိုးအချင်း ှုှမည်သောဆေး0 |
| 4 ~ 11 | d + 4.8 | 3.7 | d + 1.5 | 2 | 0.4 | 1.8 |
| 12 ~ 64 | + 6.8 d | 5 | d + 1.5 | 2 | 0.7 | 2.65 |
| 65 ~ 250 | + 8.8 | 6 | d + 1.5 | 3 | 1.0 | 3.55 |
| 251 ~ 420 | d + 12.2 | 8.4 | + 2.0 | 4 | 1.5 | 5.30 |
| 421 ~ 650 | d + 16.0 | 11 | + 2.0 | 4 | 1.5 | 7.00 |
| 651 ~ 1500 | d + 20.0 | 14 | d + 2.5 | 5 | 2.0 | 8.60 |
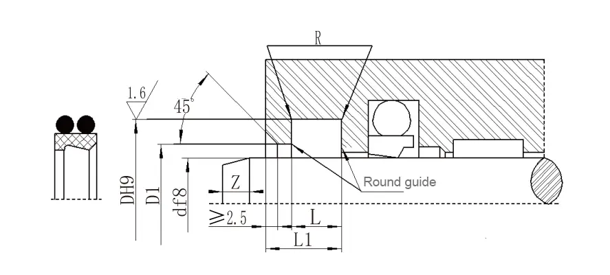
| RCF04 သတ်မှတ်ချက်သတ်မှတ်ချက် parameter table (parameter range အတွင်းရှိမည်သည့်အရွယ်အစားမဆိုထုတ်ကုန်များကိုထောက်ပံ့နိုင်သည်) | ||||||
| ရိုးအချင်းအကွာအဝေး f8 |
groove အချင်း DH9 |
အဆင့်အချင်း d1 h11 |
groove အကျယ် L+0.2 |
ယေဘုယျအကျယ် L1 |
ထောင့်ပတ်ပတ်လည် rmax | Chamfer အရှည် zmin |
| 20 ~ 39.9 | d + 7.6 | + 1 | 4.2 | 8.2 | 0.4 | 3 |
| 40 ~ 69.9 | + 8.8 | d + 1.5 | 6.3 | 10.3 | 1.2 | 4 |
| 70 ~ 139.9 | d + 12.2 | + 2.0 | 8.1 | 12.1 | 2 | 6 |
| 140 ~ 399.9 | d + 16.0 | + 2.0 | 11.5 | 15.5 | 2 | 8 |
| 400 ~ 649.9 | + 24.0 | d + 2.5 | 15.5 | 19.5 | 2 | 10 |
| 650 ~ 1000 | d + 27.3 | d + 2.5 | 18.0 | 23.0 | 2 | 12 |
| RCF05 သတ်မှတ်ချက်သတ်မှတ်ချက် parameter table (parameter ရိယာအတွင်းရှိအရွယ်အစားမဆိုထုတ်ကုန်များကိုထောက်ပံ့နိုင်သည်) | ||||||
| ရိုးအချင်းအကွာအဝေး f8 | groove အချင်း DH9 | အဆင့်အချင်း d1 h11 | groove အကျယ် L+0.2 |
ဘေးထွက်အကျယ် L1 |
ထောင့်ပတ်ပတ်လည် rmax |
Chamfer အရှည် zmin |
| 100 ~ 229 | + 22.2 | d + 10.7 | 6.3 | 4.2 | 1.2 | 6 |
| 230 ~ 299 | d + 24.2 | d + 10.7 | 6.3 | 4.2 | 1.2 | 8 |
| 300 ~ 629 | d + 33.0 | d + 15.1 | 8.1 | 6.3 | 1.2 | 10 |
| 630 ~ 1000 | + 36.5 d | d + 15.1 | 9.5 | 6.3 | 2 | 12 |
လျှောက်လွှာ -
အဓိကအားဖြင့်စိုက်ပျိုးရေးစက်ယန္တရားများ, ဟိုက်ဒရောလစ်စာနယ်ဇင်းများ, ဆေးထိုးခြင်းစက်များ, ဟိုက်ဒရောလစ်ထိန်းချုပ်မှုစနစ်များ,











လိပ်စာ
No.1 Ruichen Road, Dongliuting Industrial Park, Chengyang ခရိုင်, Chengyang ခရိုင်, Chengao City, Shandaong ခရိုင်, Chengyang ခရိုင်
Tel
အီးမေး